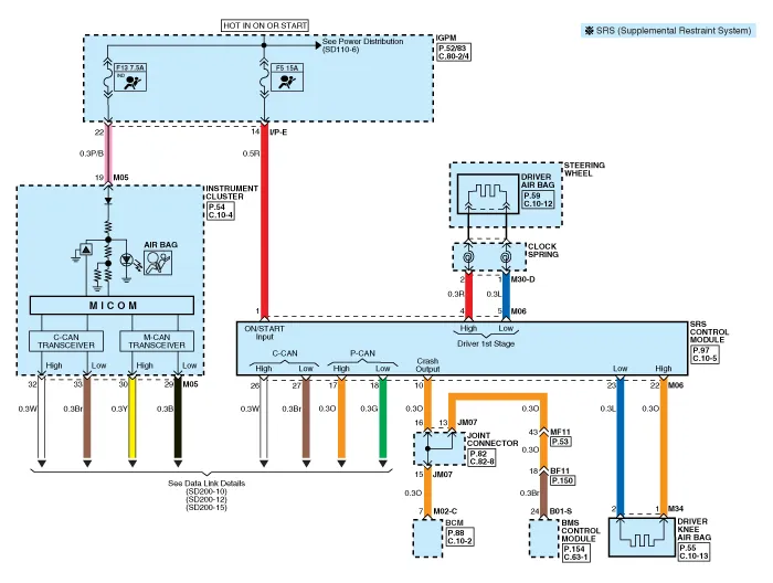
| Circuit Diagram |



Components1. Supplemental Restraint System Control Module (SRSCM)2. Pressure Side Impact Sensor (P-SIS)3. Front right Pressure Impact Sensor (FIS)4. Front left Pressure Impact Sensor (FIS)5.
Description• Supplemental Restraint System Control Module (SRSCM) determines whether and when to deploy air bag module, seat belt pretensioner (BPT) and emergency fastenig device (EFD).
DescriptionThe ambient temperature sensor is located at the front of the condenser and detects ambient air temperature. It is a negative type thermistor; resistance will increase with lower temperature, and decrease with higher temperature.The sensor output will be used for discharge temperature control, temperature regulation door contrl, blower m
Inspection1.Check the resistance of the ambient temperature sensor between terminals 1 and 2 whether it changes by changing the ambient temperature.1. Ambient Sensor (+)2. Sensor groundSpecification Ambient temperature [°C (°F)] Resistance between terminal 1 and 2 (