| Component Location Index |

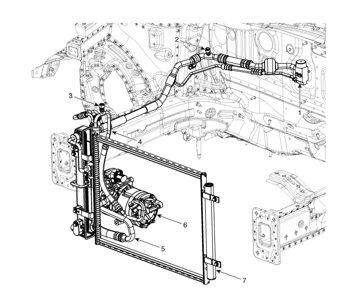
| 1. Expansion valve 2. Service port (Low pressure) 3. Service port (High pressure) 4. Discharge hose | 5. Suction & Liquid tube assembly 6. Electric A/C compressor 7. Condenser |

| 1. Auto defogging sensor 2. Photo sensor | 3. Heater & A/C control unit 4. Heater & Blower unit |
Refrigerant System Service BasicsRefrigerant Identification• Do not mix HFO-1234yf (R-1234yf) in the vehicle with other refrigerant, such as R-12, R-134a and etc.
Oil Specification1.The HFC-134a system requires synthetic (POE) compressor oil whereas the R-12 system requires mineral compressor oil. The two oils must never be mixed.
DescriptionThe A/C Pressure Transducer (APT) converts the pressure value of high pressure line into voltage value after measuring it. By converted voltage value, engine ECU controls the cooling fan by operating it high speed or low speed. Engine ECU stops the operation of the compressor when the temperature of refrigerant line is very high or very
Inspection1.Turn the ignition switch OFF. 2.Disconnect the auto defogging connector. 3.Verify that the auto defogging actuator operates to the open position when connecting 12V to terminal 3 and grounding terminal 4. Verify that the auto defogging actuator operates to the close position when connected in reverse.